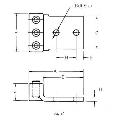
Product image for Blackburn 32013TB 2-Bolt 3 Barrel Lug Connector
Image thumbnail 0
Image thumbnail 1

Email

Blackburn 32013TB 2-Bolt 3 Barrel Lug Connector

Manufacturer: ABB | Thomas & Betts | Catalog # 32013TB | Cooper Electric Part # 931464

$514.35 /ea
ea
Log in or register to view your price, purchase history, and more!
Out of stock, please contact your sales representative for availability, pricing and lead times
Locktite Copper Triple-Barrel Lug for Conductor Range 4/0 to 300

Technical Information

Material
Copper
Standard
UL E9809
Type
Locktite Connectors

Manufacturer Information

Brand
Blackburn

General Product Info

12-Digit UPC
786210802848
GTiN
00786210802848
Product UPC
78621080284



Compare