Product image for ABB E942ER-CTN 3/4 PVC ELEC FEM ADA
Image thumbnail 0
Image thumbnail 1

Email

ABB E942ER-CTN 3/4 PVC ELEC FEM ADA

Manufacturer: Carlon / Thomas & Betts | Catalog # E942ER-CTN | Cooper Electric Part # 819861

$129.01/c (100 ea)
ea
Log in or register to view your price, purchase history, and more!
Out of stock, please contact your sales representative for availability, pricing and lead times
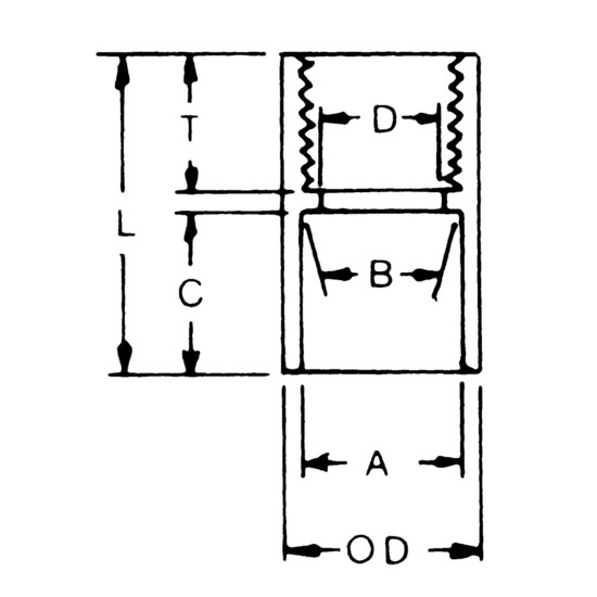
Female Adapter, Size 3/4 Inch, Length 1-5/8 Inches, Outer Diameter 1-5/16 Inches, Material PVC, Color Gray, For use with Schedule 40 and 80 Conduit, Pack of 20

Technical Information

Applications
For Adapting Non-Metallic Conduits to Threaded Fittings, Metallic Systems
Material
Non-Metal
Material Type
Non-Metallic
Size
3 in
Type
Straight

Manufacturer Information

Brand
ABB

General Product Info

12-Digit UPC
034481156840
GTiN
00034481156840
Product UPC
03448115684



Compare