Product image for ABB 54152UB CU TP 1HL LUG 90D STND
Image thumbnail 0
Image thumbnail 1

Email

ABB 54152UB CU TP 1HL LUG 90D STND

Manufacturer: ABB | Thomas & Betts | Catalog # 54152UB | Cooper Electric Part # 789728

$2,015.06 /c (100 ea)
ea
Log in or register to view your price, purchase history, and more!
0

Not Available for Pickup at Ocean Closes 5:00PM ET
137 available

For Delivery

Order by Monday 5:00pm ET for delivery Tuesday
Not in local stock *
Check another branch
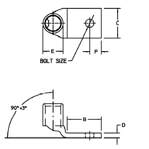
Copper One-Hole Lug, 90 Degree Bend Standard Barrel, Peep Hole, Max 35kV, Wire Size 1/0 AWG, 1/4 Inch Bolt Size, Tin Plated, Die Code 42, Die Color Code 42

Technical Information

Barrel Length
Standard
Barrel Shape
Standard
Barrel Type
Standard
Cable Size
1/0 AWG
Conductor Size
1/0 AWG
Insulated?
No
Material
Copper
Number of Holes
1 Hole
Number of Studs
1
Stud Size
1/4 in
Tongue Angle
90
Tongue Width
Standard
Type
90
Voltage
35 kV
Wire Size
0 AWG

Manufacturer Information

Brand
Thomas & Betts (T&B)
Sub Brand
Color-Keyed®

General Product Info

12-Digit UPC
786210869070
Box Quantity
100
Color
Pink
Finish
Electro Tin Plated
GTiN
05415022246858
Product UPC
78621086907
Shape
Round
Notes
  • Dimensions given for reference only. Dimensions may vary up to .030.



Compare