Product image for ABB TV14-10LF-XV VINYL LOCKING FORK
Image thumbnail 0
Image thumbnail 1

Email

ABB TV14-10LF-XV VINYL LOCKING FORK

Manufacturer: Catamount / Thomas & Betts | Catalog # TV14-10LF-XV | Cooper Electric Part # 688866

$38.09 /c (100 ea)
ea
Order in multiples of 75 (pack qty)
Log in or register to view your price, purchase history, and more!
Out of stock, please contact your sales representative for availability, pricing and lead times
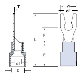
Insulated Vinyl Locking Fork Terminal for Wire Range 16-14 Stud Size #10, Blue, Canister

Technical Information

Barrel Type
Brazed Seam, Serrated
Conductor Size
16-14 AWG
Insulation Material
Vinyl
Material
Copper
Standard
UL E9809
Temperature Rating
75 degrees C
Type
Insulated, Locking
Voltage
600 Volt
Wire Size
16-14 AWG

Manufacturer Information

Brand
Thomas & Betts (T&B)
Sub Brand
Catamount®

General Product Info

12-Digit UPC
728494144498
Color
Blue
Finish
Electro Tin Plated
GTiN
05414363488941
Product UPC
72849414449
Features
  • Molded Funnel Entry Insulator. Brazed Seam. Internal Barrel Serrations.



Compare