Product image for Thomas & Betts RH9731 3/8 Inch Clear Insulated Nylon Ring Terminal
Image thumbnail 0
Image thumbnail 1

Email

Thomas & Betts RH9731 3/8 Inch Clear Insulated Nylon Ring Terminal

Manufacturer: ABB | Thomas & Betts | Catalog # RH9731 | Cooper Electric Part # 582707

$1,481.44 /c (100 ea)
ea
Log in or register to view your price, purchase history, and more!
Out of stock, please contact your sales representative for availability, pricing and lead times
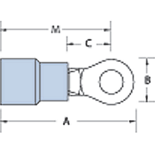
Nylon Insulated Large Ring Terminal, Length 2.14 Inches, Width .77 Inches, Maximum Insulation .500, Bolt Hole 3/8 Inch, Wire Range 1AN, Color White, Copper, Tin Plated, 50 Pack

Technical Information

Barrel Type
Serrated
Conductor Size
1 AWG
Insulation Material
Nylon
Insulation Type
Insulated Nylon
Material
Copper
Standard
UL E9809
Stud Size
3/8 in
Temperature Rating
105 degrees C
Type
Insulated
Voltage
600 Volt
Wire Size
1 AWG

Manufacturer Information

Brand
Thomas & Betts (T&B)
Sub Brand
Sta-Kon®

General Product Info

12-Digit UPC
786210821245
Color
White
Finish
Electro Tin Plated
GTiN
05414363160243
Product UPC
78621082124
Features
  • Funneled Barrel Entry, Deep Internal Serrations, Brazed or overlapping seams.
Notes
  • Not available on Mylar Tape.



Compare