Product image for Catamount TV18-6R-L 22-16 #6 Wire Range Vinyl Insulated Ring Terminal
Image thumbnail 0
Image thumbnail 1

Email

Catamount TV18-6R-L 22-16 #6 Wire Range Vinyl Insulated Ring Terminal

Manufacturer: Catamount / Thomas & Betts | Catalog # TV18-6R-L | Cooper Electric Part # 570188

$38.09 /c (100 ea)
ea
Order in multiples of 50 (pack qty)
Log in or register to view your price, purchase history, and more!
Out of stock, please contact your sales representative for availability, pricing and lead times
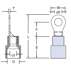
Insulated Vinyl Ring Terminal for Wire Range 22-16 Stud Size #6, Red

Technical Information

Conductor Size
22-16 AWG
Flamability Class
Rated V-0 Per UL94
Insulation Type
Insulated Vinyl
Material
Copper
Standard
UL E9809
Stud Size
#6
Temperature Rating
75 degrees C
Type
Vinyl Insulated Ring Terminal
Voltage
600 Volt
Wire Size
22-16 AWG

Manufacturer Information

Brand
Catamount

General Product Info

12-Digit UPC
786209937971
Color
Red
Finish
Electro Tin Plated
GTiN
00786209937971
Product UPC
78620993797



Compare