Product image for Blackburn ADR60-34D 4-Hole Mount 3 Conductors Dual Rated Mechanical Connector
Image thumbnail 0
Image thumbnail 1

Email

Blackburn ADR60-34D 4-Hole Mount 3 Conductors Dual Rated Mechanical Connector

Manufacturer: Blackburn / Thomas & Betts | Catalog # ADR60-34D | Cooper Electric Part # 435913

$11,736.74 /c (100 ea)
ea
Log in or register to view your price, purchase history, and more!
Out of stock, please contact your sales representative for availability, pricing and lead times
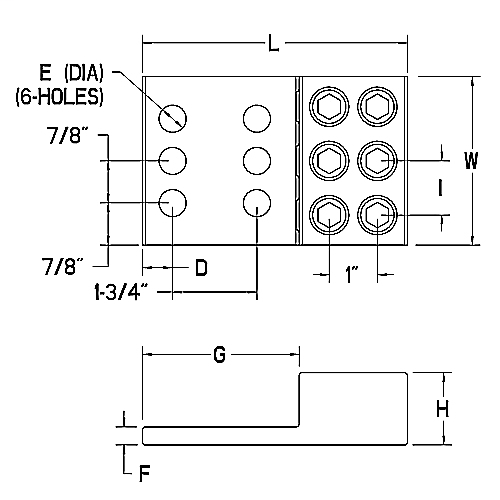
Type ADR-ALCUL Three-Conductor, Six-Hole Mount for Conductor Range Max 600 kcmil, Min 2 Str.

Technical Information

Conductor Size
2 AWG-600 kcmil
Conductor Type
Copper
Material
Aluminum
Number of Conductors
3
Standard
UL E9809
Type
Dual Rated

Manufacturer Information

Brand
Thomas & Betts (T&B)
Sub Brand
Blackburn®

General Product Info

12-Digit UPC
783786610365
Finish
Tin Plated
GTiN
00783786610365
Product UPC
78378661036

Dimensions

Height
1-1/2 Inch
Length
5-1/2 Inch
Width
3 in
Notes
  • UL 486B tested, AL9CU rated
  • NEMA spacing 1 3/4 inch centers.
  • Connectors accomodating conductors 600 kcmil and larger have double rows of set screws (D suffix).
Features
  • Easy Installation - no special tools required.
Certifications
  • UL
  • CSA



Compare