Product image for Blackburn 32011BD Locktite Lug
Image thumbnail 0
Image thumbnail 1

Email

Blackburn 32011BD Locktite Lug

Manufacturer: ABB | Thomas & Betts | Catalog # 32011BD | Cooper Electric Part # 385854

$21,245.61 /c (100 ea)
ea
Log in or register to view your price, purchase history, and more!
Out of stock, please contact your sales representative for availability, pricing and lead times
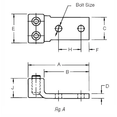
Locktite Copper Double-Barrel Lug for Conductor Range 2/0 to 4/0

Technical Information

Bolt Size
1/2 in
Conductor Size
2/0-4/0 AWG
Conductor Type
Copper
Material
Copper
Standard
UL E9809
Type
Double Barrel
Voltage
600 VAC

Manufacturer Information

Brand
ABB
Sub Brand
Blackburn®, Locktite®

General Product Info

12-Digit UPC
786210802800
GTiN
00786210802800
Product UPC
78621080280
Features
  • Easy installation. High conductivity. Wide cable range.
  • Screw tightening. Serrated saddle. Built-in lockwasher.



Compare