Product image for Blackburn CTL20-12 Compression Terminal
Image thumbnail 0
Image thumbnail 1

Email

Blackburn CTL20-12 Compression Terminal

Manufacturer: Blackburn / Thomas & Betts | Catalog # CTL20-12 | Cooper Electric Part # 288546

$1,316.00/c (100 ea)
ea
Log in or register to view your price, purchase history, and more!
Out of stock, please contact your sales representative for availability, pricing and lead times
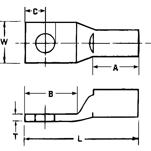
Copper One-Hole Lug, Short Barrel, Max 35kV, 2/0 Str. Wire, 1/2 Bolt Size, Tin Plated, Die Color Code Black

Technical Information

Barrel Length
Short
Barrel Shape
Standard
Barrel Type
Short, Straight
Cable Size
2/0 AWG
Conductor Size
2/0 AWG
Die Color
Black
Material
Copper
Number of Holes
1 Hole
Number of Studs
1
Standard
UL E9809
Stud Size
1/2 in
Tongue Angle
Straight
Type
Standard Barrel
Voltage
35 Volt

Manufacturer Information

Brand
ABB
Sub Brand
Blackburn®

General Product Info

12-Digit UPC
783786131853
Color
Black
Finish
Tin Plated
GTiN
05415022437904
Product UPC
78378613185

Dimensions

Height
2.3 Inch
Width
2.8 in
Features
  • Specifically chamfered barrel for ease of installation.
  • Complies with Subpart 111.60-17 of Federal Register's Coast Guard Electrical Engineering Rules and Regulations.
  • Made of high-conductivity seamless copper tubing. Tin plated for corrosion resistance.
  • Color-coded for matching die identification.
  • UL Listed for AWG conductor when installed with Blackburn, Burndy, T&B or Andersons Tools.
Certifications
  • UL
  • CSA
Notes
  • For use with copper conductor: AWG, stranded, flexible cable, welding cable and portable cord. Specially designed for inductrial and building applications.



Compare