Product image for Thomas & Betts RD737 3/8 Inch Bolt Hole 8 AWG Red Insulated Nylon Ring Terminal
Image thumbnail 0
Image thumbnail 1

Email

Thomas & Betts RD737 3/8 Inch Bolt Hole 8 AWG Red Insulated Nylon Ring Terminal

Manufacturer: ABB | Thomas & Betts | Catalog # RD737 | Cooper Electric Part # 219136

$506.09/c (100 ea)
ea
Log in or register to view your price, purchase history, and more!
Out of stock, please contact your sales representative for availability, pricing and lead times
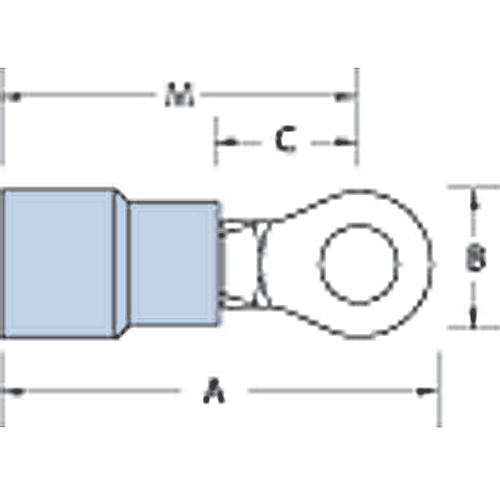
Nylon Insulated Large Ring Terminal, Length 1.63 Inches, Width .57 Inches, Maximum Insulation .340, Bolt Hole 3/8 Inch, Wire Range 8, Color Red, Copper, Tin Plated, 200 Pack

Technical Information

Conductor Size
8 AWG
Insulation Material
Nylon
Insulation Type
Insulated Nylon
Material
Copper
Standard
UL E9809
Stud Size
3/8 in
Temperature Rating
105 degrees C
Type
Short Sleeve
Voltage
600 Volt
Wire Size
8 AWG

Manufacturer Information

Brand
ABB
Sub Brand
Sta-Kon®

General Product Info

12-Digit UPC
786210820644
Color
Red
Finish
Electro Tin Plated
GTiN
00786210820644
Product UPC
78621082064
Features
  • Funneled Barrel Entry, Deep Internal Serrations, Brazed or overlapping seams.
Notes
  • Not available on Mylar Tape.



Compare