Product image for Blackburn 32015BD Locktite Copper Double Barrel Lug
Image thumbnail 0
Image thumbnail 1

Email

Blackburn 32015BD Locktite Copper Double Barrel Lug

Manufacturer: ABB | Thomas & Betts | Catalog # 32015BD | Cooper Electric Part # 1292893

$519.23 /ea
ea
Log in or register to view your price, purchase history, and more!
Out of stock, please contact your sales representative for availability, pricing and lead times
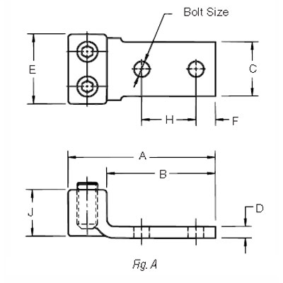
Locktite Copper Double-Barrel Lug for Conductor Range 300-500 kcmil

Technical Information

Bolt Size
1/2 in
Conductor Size
300-500 kcmil
Conductor Type
Copper
Material
Copper
Standard
UL E9809
Type
Double Barrel
Voltage
600 VAC

Manufacturer Information

Brand
ABB
Sub Brand
Blackburn®, Locktite®

General Product Info

12-Digit UPC
786210802862
GTiN
00786210802862
Product UPC
78621080286
Features
  • Easy installation. High conductivity. Wide cable range.
  • Screw tightening. Serrated saddle. Built-in lockwasher.



Compare