Product image for Burndy YAV12G3 Uninsulated Ring Terminal For 14 - 12 AWG
Image thumbnail 0
Image thumbnail 1

Email

Burndy YAV12G3 Uninsulated Ring Terminal For 14 - 12 AWG

Manufacturer: Burndy | Catalog # YAV12G3 | Cooper Electric Part # 1117578

$83.63 /c (100 ea)
ea
Log in or register to view your price, purchase history, and more!
Out of stock, please contact your sales representative for availability, pricing and lead times
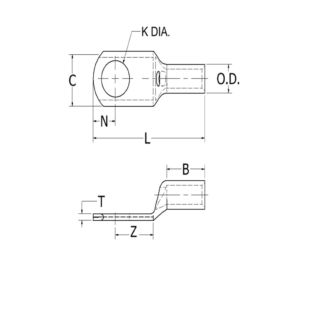
Hylug, 14-12 AWG, 1/4, 1 in L, .34 in W, Tin- Electro plated.

Technical Information

Applications
For Use On Copper Commercial (Code) Cable, Type AN Aircraft Cable And Extra Flexible Conductors, Industrials, Hospitals, Electric Utilities, Shipboard And Marine, Computers, Steel Mills, Mining Equipment And Other Equipment That Is Subject To Vibration Or Requiring Dependable Electrical Performance
Cable Size
14 - 12 AWG
Conductor Size
12 AWG
Connection Type
Ring Terminal
Material
Copper
Plated?
Yes
Plating Type
Tin - Electro Plated
Stud Size
0.25 in
Type
Ring Tongue

Manufacturer Information

Brand
Hubbell Incorporated
Sub Brand
Burndy

General Product Info

12-Digit UPC
781810024874
Color
Black,White
GTiN
00781810024874
Product UPC
78181002487

Dimensions

Height
0.17 Inch
Length
0.97 Inch
Overall Length
25 mm
Width
0.36 in

Certifications and Compliance

Country of Origin
USA
CSA
No
Features
  • Manufactured from seamless pure electrolytic copper tubing to provide maximum conductivity, low resistance and excellent ductility for crimping
  • Seamless tubular crimp barrel design - No seams to split resulting in a very high quality electrical connection, also can be used on solid conductor
  • Double thick tongue structurally a very strong terminal tongue
  • Produced from tubular copper, extra copper material assures the compression connector will operate cooler than the conductors it connects
  • Internally bevelled barrel for easy cable entry, especially for flexible conductors
  • Inspection hole provides easy visual check for proper conductor insertion
  • Electro-tin plated for a long lasting durable corrosion resistance



Compare